Accident Analysis
ePilot ASF Accident Reports -- Pick your safety pilot carefully
![]() | |
![]() | Pick your safety pilot carefully |
Maintaining instrument proficiency is made easier by the FAA through FAR 91.109, which allows pilots to use a safety pilot while practicing instrument procedures. Selecting the right safety pilot for the flight can be a difficult decision.
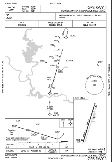
On January 14, 2001, a Cessna 210 crashed during a simulated instrument approach at night to Burnet Municipal Airport in Burnet, Texas. The instrument-rated pilot and his non-instrument-rated safety pilot were seriously injured and the Cessna was destroyed.
The flight left Burnet at 8:45 pm en route to Austin, Texas. After practicing instrument approaches at Austin-Bergstrom Airport, they flew back to Burnet. The pilot remained under the hood, and prepared to fly the GPS approach to Runway 1 into Burnet. Radar data recorded the flight passing AMUSE, the initial approach fix, at 3,500 feet. The flight descended and was at 2,200 feet about 1 nm before reaching the final approach fix, ABJES (now FINTI), which has a published crossing altitude of 2,600 feet. At ABJES, the pilot lowered the flaps and landing gear and continued the descent.
According to the safety pilot, he had the runway in sight when they crossed the final approach fix. He then lost sight of the runway and was about to tell the pilot to "pull up" when the accident occurred. The airplane hit trees then the ground nearly 4 nautical miles from the threshold of Runway 1.
The NTSB determined the cause of this accident was the pilot's failure to maintain the proper glide path during a practice instrument approach. Factors included the dark night and the safety pilot's inadequate monitoring of the practice approach.
At the time of the accident, the pilot had 274 hours total time, 44 of which were simulated instrument flight. The pilot received his instrument rating four months before the accident. The safety pilot had 710 hours total time, but his instrument experience was not reported.
It is a safe assumption that this was one of the pilot's first instrument flights after taking his checkride. The pilot had limited instrument experience and chose a non-instrument-rated pilot as his safety pilot. Before departing on a training flight such as this, establish safety parameters ahead of time. Brief non-instrument-rated pilots on the approaches that will be conducted, and explain to him or her each segment of the approach, including the descent minimums.
View the many products the AOPA Air Safety Foundation has created related to instrument flying.
Accident reports can be found in ASF's accident database.
Return to the ePilot accident report main page.
November 11, 2009

