AOPA will be closing early on Wednesday, November 26th and will remain closed through the November 28th in observance of the holiday. We will reopen at 8:30 a.m. ET on Monday, December 1st.

Hayden,Colorado RNAV (GPS) 28

Don’t shoot for style points

One of the advantages of RNAV (GPS) approaches was supposed to be the ability to build straight-in approaches and produce lower approach minimums. By and large, that has been the case, but there are exceptions. One of them is the RNAV (GPS) 28 into Yampa Valley Airport (HDN) in Hayden, Colorado. 
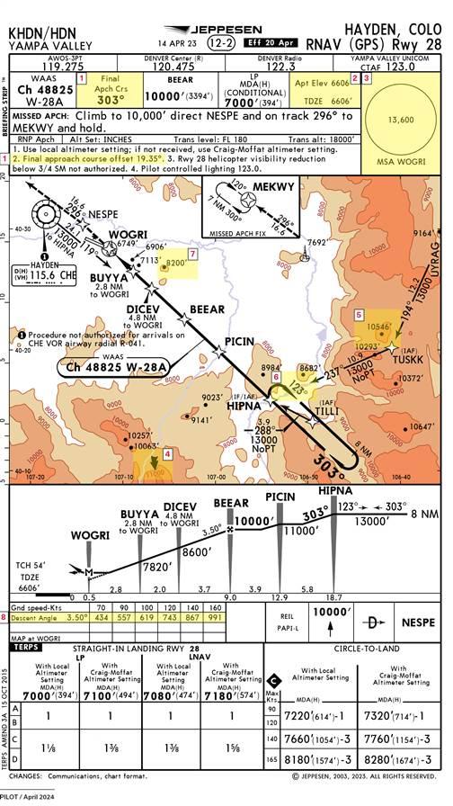
Jeppesen chart for Hayden, Colorado RNAV Rwy 28.
Zoomed image
Jeppesen chart for Hayden, Colorado RNAV Rwy 28.

The airport is the gateway to the Steamboat Springs area, and the airport sits at an elevation of 6,600 feet, more than 1,300 feet higher than Denver. The runway itself is 10,000 feet long, which is great at sea level, but at an elevation like this, 10,000 feet can pass under the wheels in a hurry.

The airport is situated next to the Yampa River in a valley. It is closer to the foot of the mountains than to the valley entrance. From a piloting point of view, it’s like a cruel joke.

The RNAV 28 approach can be a challenge because of the terrain. The minimum safe altitude, which is based on the missed approach point of WOGRI, is 13,600 feet. The highest elevation is at 11,000 feet southwest of HIPNA. What should be immediately obvious from looking at the terrain is that any wind at all can create turbulence and wind shear. The valley itself can create a venturi effect that can make for an exciting ride. In instrument conditions, this can be a bit unsettling as you descend through clouds and/or fog, rain, or snow with a whole lotta shakin’ goin’ on.

If you’re inbound from the west, you will have the option of using the hold to get pointed in the right direction. From the east, you can expect vectors to UYRAG with a clearance to cross it at or above 13,000 feet. From there, you will be cleared for the approach. Terrain on the approach path comes up to almost 10,300 feet, and just off the approach, it gets up to over 10,600 feet. Proper altimeter setting on this approach is critical.

The turn from the 237 heading off of TUSKK is 66 degrees. With a west wind, your turn won’t be too steep, but if the winds are swirling, be prepared for a steep turn to join the final, and don’t overshoot. There is a 3,000 foot descent after HIPNA to get down to the final approach fix altitude of 10,000 feet. At such a high altitude, your true airspeed and groundspeed will be higher than you are used to. Ergo, airspeed and vertical speed control will be critical. Getting configured for the approach early is prudent. If you haven’t already seen it by now, the approach is built with a 3.5 degree angle; standard is 3 degrees. Getting gear and flaps down early will help manage the descent from BEEAR to WOGRI.

Farther along, a sizeable hill/rock comes up to 8,200 feet msl/1,600 agl just to the north side of DICEV. The crossing altitude for DICEV is 8,600, which is only 400 feet of terrain clearance. Because of TERPS (and common sense), a straight-in approach isn’t possible. The lowest minimum altitude published is 394 feet above the touchdown zone. At 7,000 feet msl, expect a bit of a delay in thrust after adding power for a go-around, and also expect a few more feet of lost altitude before arresting the descent.

The valley can create a venturi effect that can make for an exciting ride. In instrument conditions, this can be unsettling as you descend through clouds and/or fog, rain, or snow.The last major challenge is the turn to final. The final approach course is offset by more than 19 degrees from the centerline of the runway. In snowy conditions, it can be a challenge to see the runway, even on a clear day. The last major concern is a power plant that sits a mile northeast of the airport. Steam from the power plant can drift across the final, obscuring the view of the runway. If the wind is down the runway or from the west, you can use it to your advantage and let it help push you over to the extended centerline of the runway.

Snow on the ground can create visual illusions, and snow on the far end of the runway can make you think the runway is shorter than it is. Make your touchdown in the touchdown zone, on centerline, and don’t shoot for style points.

This is a challenging airport, without a control tower, and vigilance is key. Brief how you will fly it, and fly it as you briefed it. Manage your energy and be ready for the higher rate of descent, wind shear, and a bumpy ride. With any luck, the gusty winds might lead to a smooth touchdown that might be all your passengers will remember.

Chip Wright
Chip Wright is an airline pilot and frequent contributor to AOPA publications.

Related Articles